Catálogo

Abrasivos Arrumação e Organização Automação Industrial Correntes, Correias e Transmissão Corte e Fresagem Diversos EPI's Equipamentos Ferramentas Fitas Jardim Máquinas Marcadores e Lápis Metrologia Parafusaria Pneumática Químicos Rolamentos Soldadura Transporte de Carga
Parafusaria
Bucha de Impacto Fischer 532230 EA II M6x25
Preço Sob Consulta
€ 0,00 € 3,85 0,00000000 %

IVA inc.
10 unidades

Na compra de ou + artigos

Preço exclusivo on-line

Entregas ao domicílio em 2 a 3 dias úteis

GRÁTIS

Recolha em loja

GRÁTIS

Em stock

Em stock

Marca: FISCHER

Referência: 01.532230

A bucha de impacto económica com um rebordo para uma instalação rápida e fácil

Vantagens:
O aro em relevo evita que a bucha de ancoragem escorregue, garantindo assim uma instalação sem problemas com o martelo.
A rosca interna métrica significa que é possível utilizar parafusos padrão ou hastes roscadas para a adaptação ideal ao uso pretendido.
A ferramenta de ajuste da máquina EMS permite a instalação sem esforço, especialmente no caso de instalações em série.
A estampagem que é aplicada ao expandir com a ferramenta de ajuste EHS Plus oferece um controle simples da ancoragem e proporciona maior segurança.
O ponto de fixação em altura de 25 mm evita que a âncora caia do furo antes de ser expandida.
O ponto de fixação preto evita que a âncora caia do furo durante a instalação suspensa.
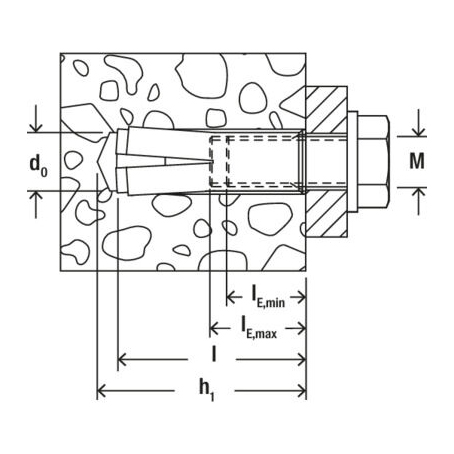
A bucha de impacto EA II da fischer é uma bucha de rosca interna fabricada em aço zincado e aço inoxidável. A bucha de impacto da fischer é ideal para fixar sistemas de aspersores sprinkler, caminhos de cabos e suportes retos, tanto no interior como no exterior. A Aprovação Técnica Europeia para betão não fissurado, a homologação para múltiplas utilizações em sistemas não estruturais, e a classificação de resistência ao fogo classe R 120 garantem uma segurança adicional. A bucha de impacto é inserida com um martelo até ficar nivelada com o material base. O rebordo em relevo impede o deslizamento. Com a ferramenta de inserção EAW H Plus ou com a ferramenta de inserção com máquina EA II S-SDS, a bucha expande-se e fixa-se na parede do furo através da introdução do pino interno.

Certificação: ETA
Diâmetro do orifício de perfuração (d0): 8
Penetração mínima dos parafusos (lE,min): 6
Penetração máxima do parafuso (lE,max): 14
Embalagens: Caixa dobrável
GTIN (EAN-Code): 4048962215298

Entre em contacto

Insira pelo menos 2 nomes (P.e.: Primeiro e último nome).

E-mail inválido.

Nº de telemóvel/telefone inválido.

O campo está vazio.

Pretende esclarecimentos adicionais? Contacte-nos diretamente.
comercial@dimacer.com